DC/DC-Pretvarač TEN 15 Serije, 15 Watt, 2:1 ulaz TracoPowerTEN 15-2411 In 18 -36
- Kataloški br:
- 157135 - 62
- Oznaka:
- TEN 15-2411
- EAN:
- 2050001080288
- Kataloški br:
- 157135 - 62
- Oznaka:
- TEN 15-2411
- EAN:
- 2050001080288
DC/DC-Pretvarač TEN 15 Serije, 15 Watt, 2:1 ulaz TracoPowerTEN 15-2411 In 18 -36

165.00 KM
Komada
165.00 KM
Komada

Izdvojeno & Detalji
- 3 ?godišnja garancija proizvođača
Tehničke specifikacije
Tehničke specifikacije
Broj izlaza
1 x
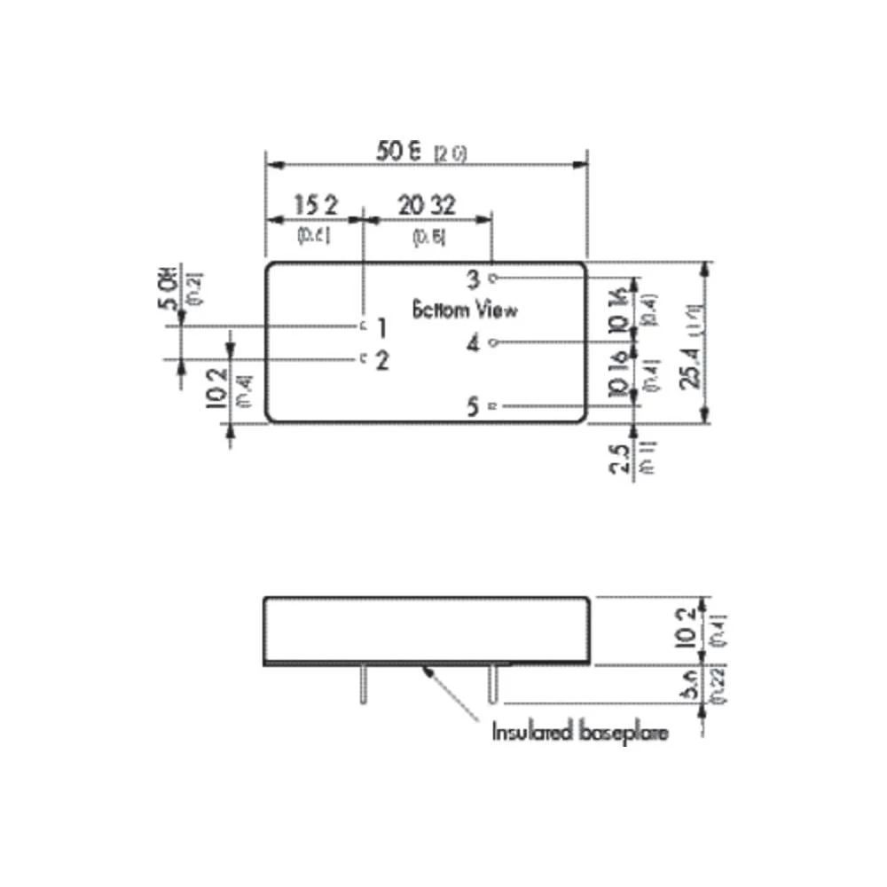
Dim.
(D x Š x V) 50.8 x 25.4 x 10.2 mm
Duljina
50.8 mm
Izlazna struja (maks.)
3A
Izlazna struja (max) - zaokružena
3A
Izlazni napon
5 V/DC
Izolacijski napon
1500 V/DC
Izvođenje
15 W
Nazivni napon
24 V/DC
Radna temperatura (maks.)
85 °C
Radna temperatura (min.)
-40 °C
Sadržaj
1 kom
Širina
25,4 mm
Tip
TEN 15-2411
Učinkovitost (maks.)
84 %
Ulazni napon (maks.)
12 V/DC
Ulazni napon (min.)
12 V/DC
Veza
igle za lemljenje
Visina
10.2 mm
Vrsta proizvoda
DC/DC pretvarač, print
Opis
Opis
Ovaj tekst je strojno preveden.
Opseg isporuke
- DC/DC pretvarač za tiskane pločice TracoPower TEN 15-2411 24 V/DC 5 V/DC 3 A 15 W broj izlaza: 1 x