EI 30/12,5 print transformator VB 1,5 VA
- Kataloški br:
- 710480 - 62
- Oznaka:
- VB 1,5/2/12
- EAN:
- 4016138516463
- Kataloški br:
- 710480 - 62
- Oznaka:
- VB 1,5/2/12
- EAN:
- 4016138516463
EI 30/12,5 print transformator VB 1,5 VA

16.40 KM
Komada
16.40 KM
Komada

Izdvojeno & Detalji
- Minimalna veličina izvedbe uz veliku snagu
- Otporan na kratke spojeve
Tehničke specifikacije
Tehničke specifikacije
Broj izlaza
2 x
Broj ulaza
1 x
Frekvencija
50 - 60 Hz
Ispitni napon
5000 V
Ispitni znak
C-UL-US, ENEC 10 (VDE)
Izlazna struja
125 mA
Izlazni napon
12V AC
Izlazni napon (broj x napon)
2 x 12 V/AC
Izvođenje
1.50 VA
Klasa izolacije
VDE=B, UL=105
Maksimalna temperatura okoline
+70 °C
Sadržaj
1 kom
Sukladno RoHS
Da
Težina
0.08 kg
Tip
VB 1,5/2/12
Učinkovitost
57 %
Ulazni napon
230 V
Ulazni napon (broj x napon)
1 x 230 V
Veza
lemljenje
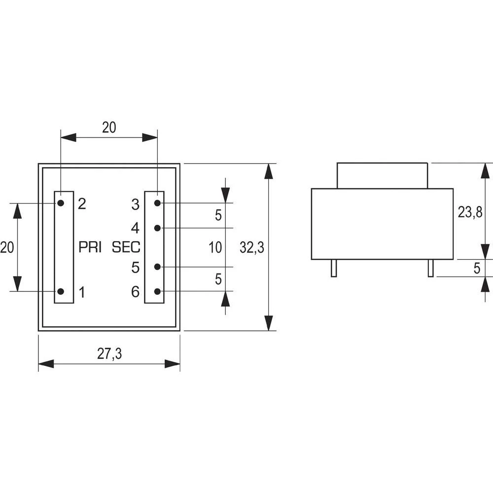
Visina
23.8 mm
Vrsta proizvoda
Print transformator