HF-Induktivnost 18 uH SMCC-180K-02 Fastron
- Kataloški br:
- 440233 - 62
- Oznaka:
- SMCC-180K-02
- EAN:
- 2050000373183
- Kataloški br:
- 440233 - 62
- Oznaka:
- SMCC-180K-02
- EAN:
- 2050000373183
HF-Induktivnost 18 uH SMCC-180K-02 Fastron

1.20 KM
Komada
1.20 KM
Komada

Tehničke specifikacije
Tehničke specifikacije
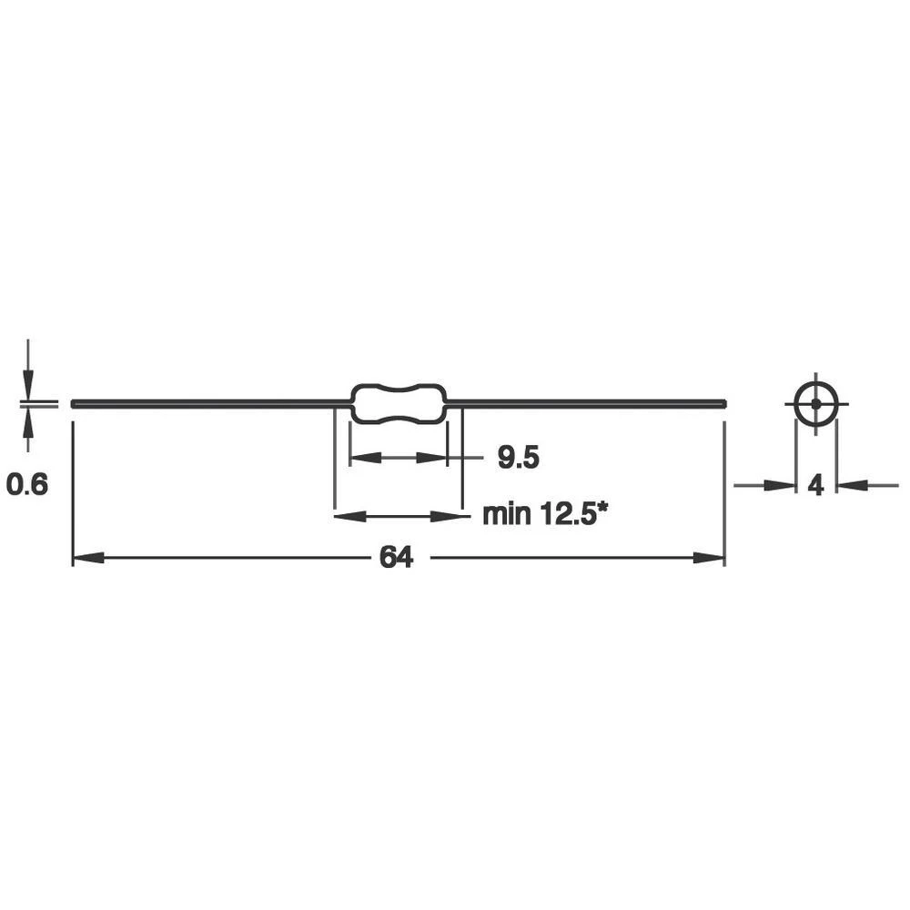
Dim.
(Ø x D) 4 mm x 9.5 mm
Duljina
9.5 mm
Frekvencija rezonanse
17 MHz
Induktivitet (L)
18 uH
Materijal
ferit
Mjerenje učestalosti
50 MHz
Nazivna struja
0.58 A
Oblikovati
SMCC
Otpornost
0,67 Ω
Promjer
4 mm
Q
50 MHz
Sadržaj
1 kom
Tip
SMCC-180K-02
Tip dizajna
aksijalno ožičen
Tolerancija ±
10 %
Vrsta proizvoda
HF-prigušnica