HF-Induktivnost 22 uH MICC-220K-00 Fastron
- Kataloški br:
- 440311 - 62
- Oznaka:
- MICC-220K-02
- EAN:
- 2050000373336
- Kataloški br:
- 440311 - 62
- Oznaka:
- MICC-220K-02
- EAN:
- 2050000373336
HF-Induktivnost 22 uH MICC-220K-00 Fastron

0.80 KM
Komada
0.80 KM
Komada

Tehničke specifikacije
Tehničke specifikacije
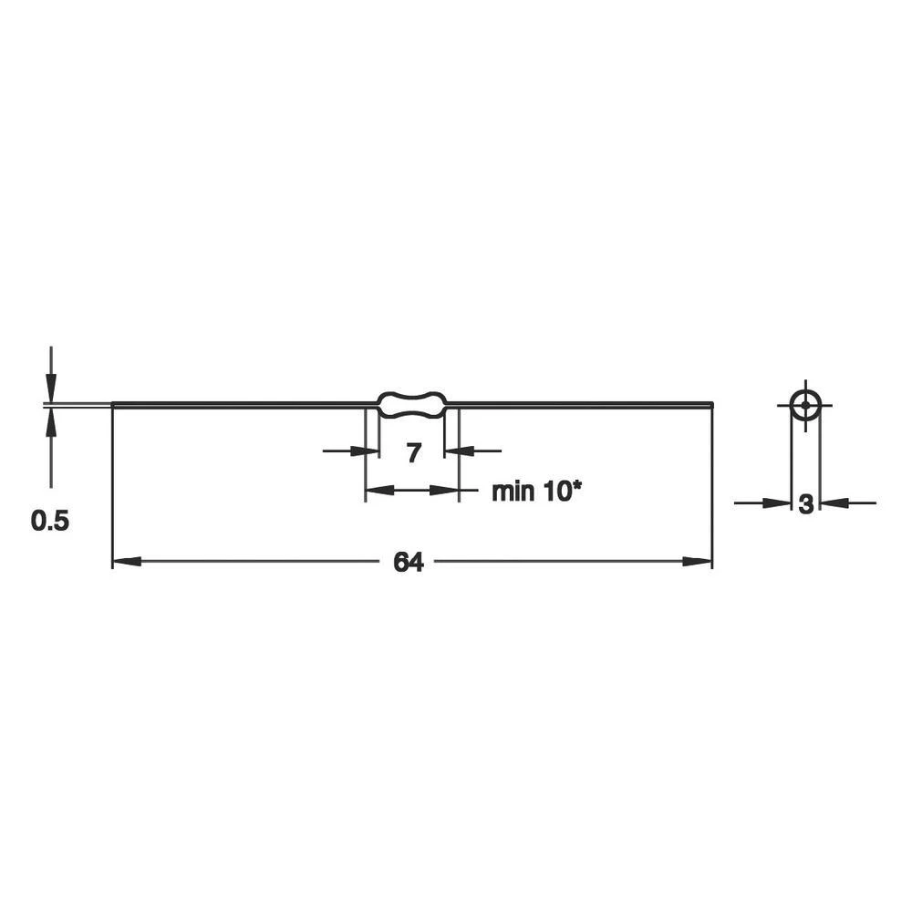
Dim.
(Ø x D) 3 mm x 63 mm
Duljina
63 mm
Frekvencija rezonanse
12 MHz
Induktivitet (L)
22 uH
Materijal
ferit
Mjerenje učestalosti
2.52 MHz
Nazivna struja
0.335 A
Oblikovati
MICC
Otpornost
0,9 Ω
Promjer
3 mm
Q
2.52 MHz
Sadržaj
1 kom
Tip
MICC-220K-02
Tip dizajna
aksijalno ožičen
Tolerancija ±
10 %
Vrsta proizvoda
HF-prigušnica