HF-Induktivnost 2200 uH SMCC-222J-02 Fastron
- Kataloški br:
- 440165 - 62
- Oznaka:
- SMCC-222J-02
- EAN:
- 2050000373022
- Kataloški br:
- 440165 - 62
- Oznaka:
- SMCC-222J-02
- EAN:
- 2050000373022
HF-Induktivnost 2200 uH SMCC-222J-02 Fastron

1.40 KM
Komada
1.40 KM
Komada

Tehničke specifikacije
Tehničke specifikacije
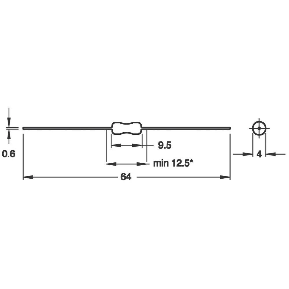
Dim.
(Ø x D) 4 mm x 9.5 mm
Duljina
9.5 mm
Frekvencija rezonanse
1,1MHz
Induktivitet (L)
2200 uH
Materijal
ferit
Mjerenje učestalosti
40 MHz
Nazivna struja
0.08 A
Oblikovati
SMCC
Otpornost
34.7 Ω
Promjer
4 mm
Q
40 MHz
Sadržaj
1 kom
Tip
SMCC-222J-02
Tip dizajna
aksijalno ožičen
Tolerancija ±
10 %
Vrsta proizvoda
HF-prigušnica