HF-Induktivnost 3900 uH SMCC-392J-02 Fastron
- Kataloški br:
- 440458 - 62
- Oznaka:
- SMCC-392J-02
- EAN:
- 2050000373695
- Kataloški br:
- 440458 - 62
- Oznaka:
- SMCC-392J-02
- EAN:
- 2050000373695
HF-Induktivnost 3900 uH SMCC-392J-02 Fastron

0.90 KM
Komada
0.90 KM
Komada

Tehničke specifikacije
Tehničke specifikacije
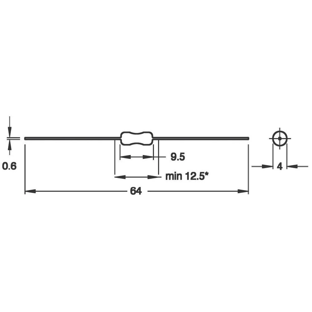
Dim.
(Ø x D) 4 mm x 9.5 mm
Duljina
9.5 mm
Frekvencija rezonanse
0,8MHz
Induktivitet (L)
3900 µH
Materijal
ferit
Mjerenje učestalosti
40 MHz
Nazivna struja
0.059 A
Oblikovati
SMCC
Otpornost
66 Ω
Promjer
4 mm
Q
40 MHz
Sadržaj
1 kom
Tip
SMCC-392J-02
Tip dizajna
aksijalno ožičen
Tolerancija ±
10 %
Vrsta proizvoda
HF-prigušnica