HF-Induktivnost 470 uH SMCC-471J-02 Fastron
- Kataloški br:
- 440406 - 62
- Oznaka:
- SMCC-471J-02
- EAN:
- 2050000373589
- Kataloški br:
- 440406 - 62
- Oznaka:
- SMCC-471J-02
- EAN:
- 2050000373589
HF-Induktivnost 470 uH SMCC-471J-02 Fastron

1.40 KM
Komada
1.40 KM
Komada

Tehničke specifikacije
Tehničke specifikacije
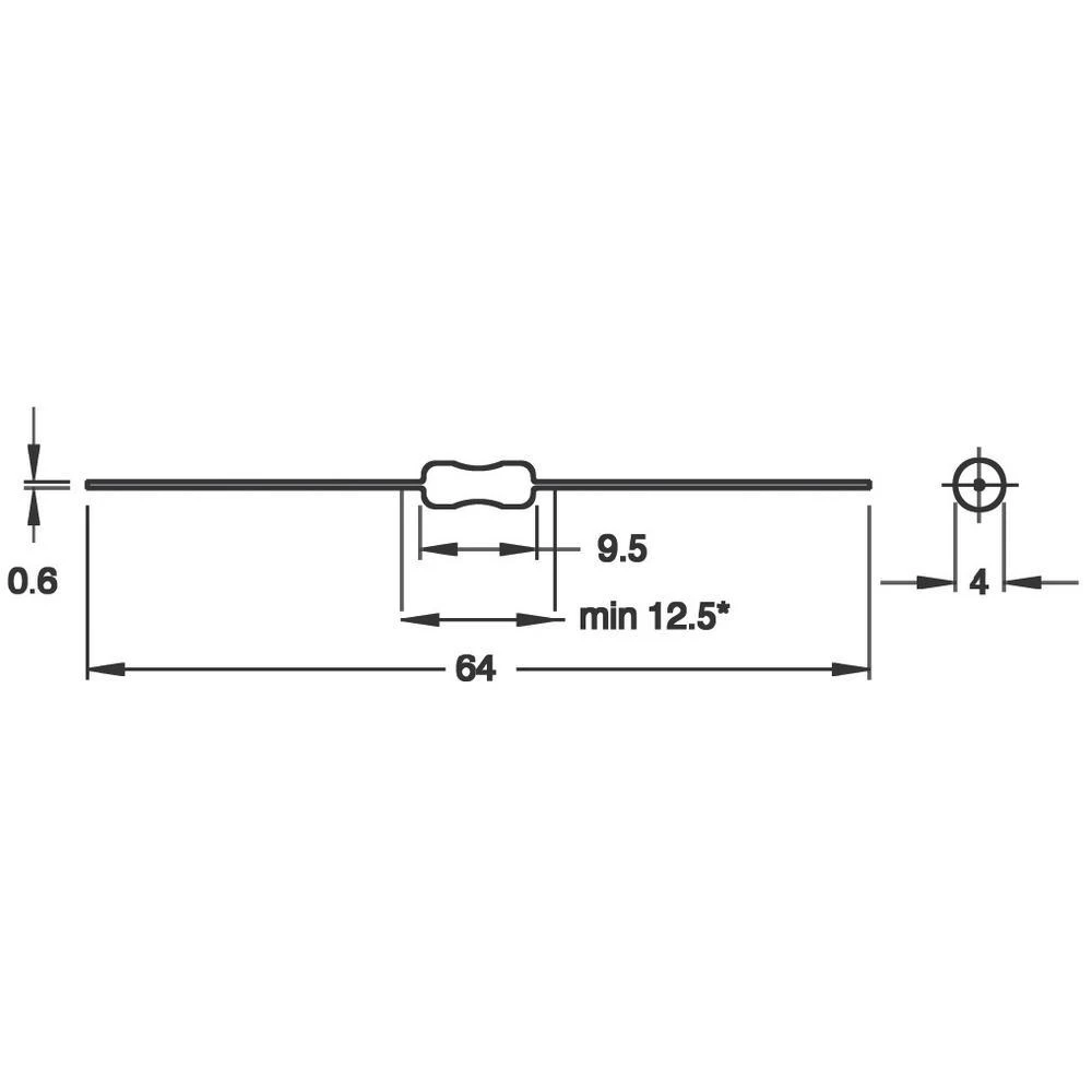
Dim.
(Ø x D) 4 mm x 9.5 mm
Duljina
9.5 mm
Frekvencija rezonanse
2,2MHz
Induktivitet (L)
470 uH
Materijal
ferit
Mjerenje učestalosti
70 MHz
Nazivna struja
0.17 A
Oblikovati
SMCC
Otpornost
7.9 Ω
Promjer
4 mm
Q
70 MHz
Sadržaj
1 kom
Tip
SMCC-471J-02
Tip dizajna
aksijalno ožičen
Tolerancija ±
10 %
Vrsta proizvoda
HF-prigušnica