Koloturnik 50 mm siva litina dörner + helmer 4811314 5 kom.
- Kataloški br:
- 1206557 - 62
- Oznaka:
- 4811314
- EAN:
- 4016138907254
- Kataloški br:
- 1206557 - 62
- Oznaka:
- 4811314
- EAN:
- 4016138907254
Koloturnik 50 mm siva litina dörner + helmer 4811314 5 kom.

160.00 KM
Komada
160.00 KM
Komada

Izdvojeno & Detalji
- Sivi lijev
Tehničke specifikacije
Tehničke specifikacije
Materijal
Siva litina
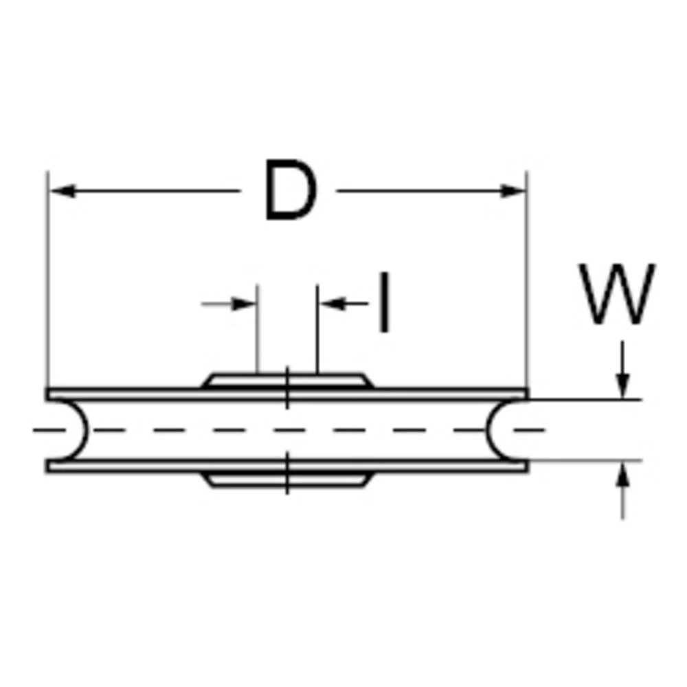
Promjer užeta
6 mm
Sadržaj
5 kom.
Svitak-Ø
50 mm
Vrsta proizvoda
blok kolotura
Opis
Opis
Progib ili ptičja remenica za zavrtanje ili vođenje na osovini. Često se koristi za podizanje predmeta kao povlačenje kabela ili za vođenje poteznih užeta.
Materijal:
Sivi lijev
Ovaj tekst je strojno preveden.
Opseg isporuke
- Koloturnik 50 mm siva litina dörner + helmer 4811314 5 kom.