Modularna utičnica 4-polna plosnata verzija Assmann
- Kataloški br:
- 716160 - 62
- Oznaka:
- A-20040/LP
- EAN:
- 2050000228353
- Kataloški br:
- 716160 - 62
- Oznaka:
- A-20040/LP
- EAN:
- 2050000228353
Modularna utičnica 4-polna plosnata verzija Assmann

1.30 KM
Komada
1.30 KM
Komada

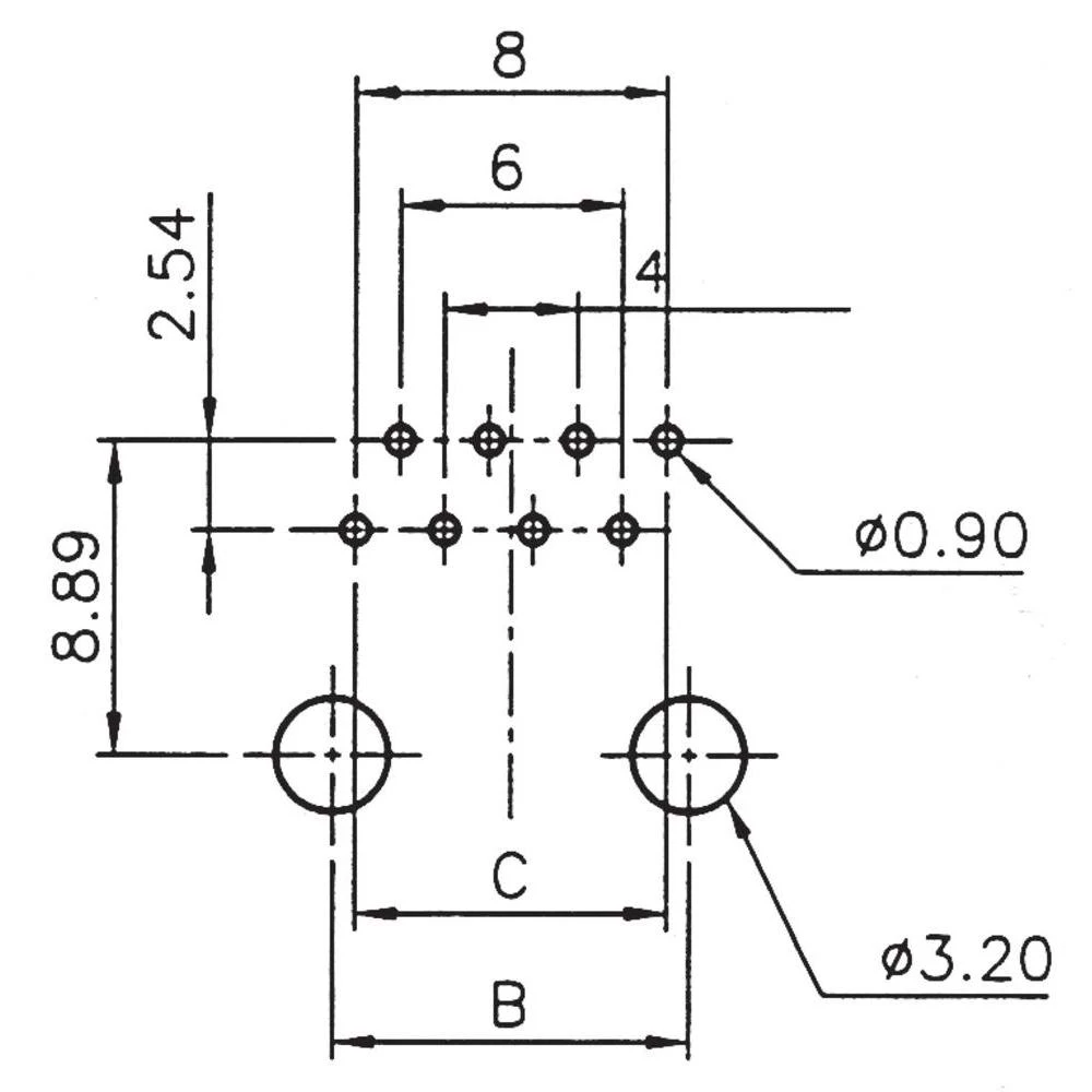
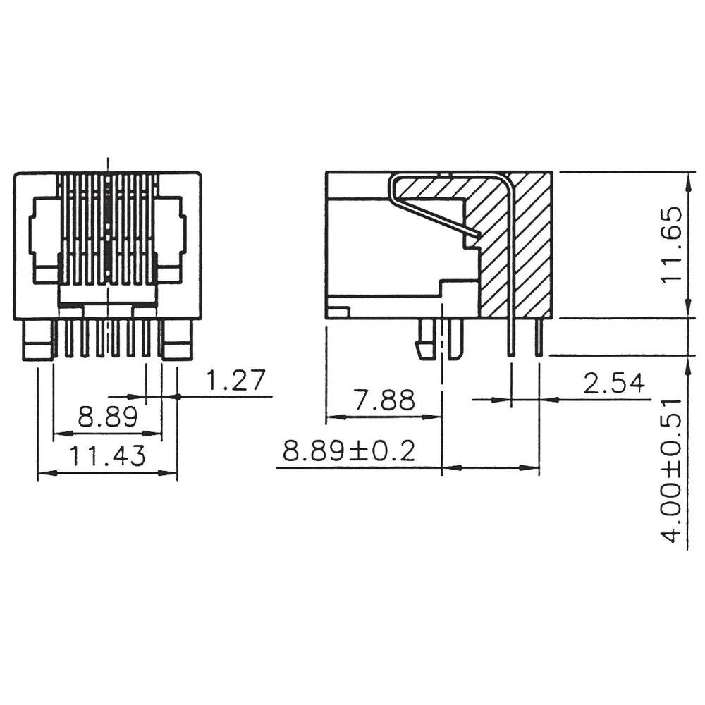
Tehničke specifikacije
Tehničke specifikacije
Boja proizvođača
crna
Broj priključaka
1 x
Broj redaka
1
Kućište
Poliester punjen staklom
Oblikovati
Konektor, ugradnja horizontalna
Poljaci
4P4C
Sadržaj
1 kom
Standardni konektor
RJ10
Sukladno RoHS
Da
Tip
A-20040/LP
Veza
lemljenje
sklop za štampanje
Opis
Opis
Ovaj tekst je strojno preveden.
Ocjene kupaca
Ocjene kupaca
Pribor za ovaj prooizvod
- Dodatni (2)