Signalni relej Omron G6A-274P-ST-US 5 VDC, monostabilan, 5 V/DC, 2 x preklopni k
- Kataloški br:
- 503801 - 62
- Oznaka:
- G6A-274P-ST-US 5 VDC
- EAN:
- 2050000801808
- Kataloški br:
- 503801 - 62
- Oznaka:
- G6A-274P-ST-US 5 VDC
- EAN:
- 2050000801808
Signalni relej Omron G6A-274P-ST-US 5 VDC, monostabilan, 5 V/DC, 2 x preklopni k

14.10 KM
Komada
14.10 KM
Komada

Tehničke specifikacije
Tehničke specifikacije
Dim.
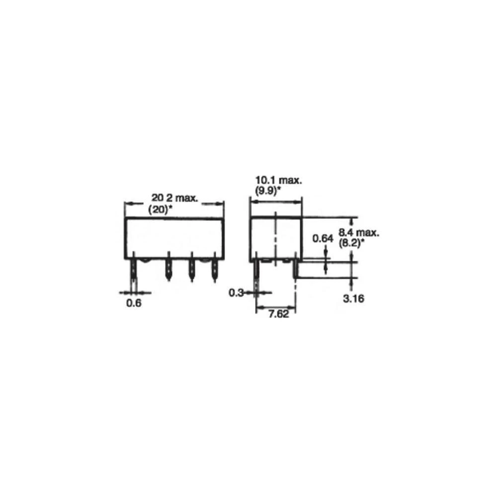
(D x Š x V) 20.2 x 10.1 x 8.4 mm
Duljina
20.2 mm
Inženjerska serija br
G6A274PSTUS5DC
Inženjerski dio br
G6A274PSTUS5DC
Kontaktni materijal
Ag + Au
Maksimalna temperatura
+70 °C
Maksimalni uklopni kapacitet
60 W
125 VA
Minimalna temperatura
-40 °C
Nazivni napon svitka
5 V/DC
Otpor (zavojnica)
125 Ω
Sadržaj
1 kom
Širina
10.1 mm
Sklopna struja (maks.)
2A
Sklopni napon (maks.)
220 V/DC
250 V/AC
Tip
G6A-274P-ST-US 5 VDC
Tip kontrole
monostabil, 1 zavojnica
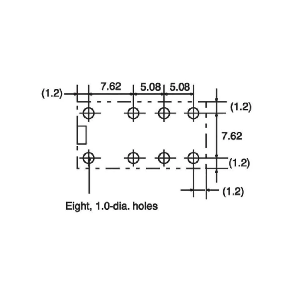
Veza
igle za lemljenje
Visina
8.4 mm
Vrsta kontakta
2 mjenjač
Vrsta proizvoda
ispisni relej
Opis
Opis
Ovaj tekst je strojno preveden.