Snažan relej ALZ, 16 A, za štampanu pločicu Panasonic ALZ52F24 24 V/DC 1 x uklop
- Kataloški br:
- 504849 - 62
- Oznaka:
- ALZ52F24
- EAN:
- 2050000452963
- Kataloški br:
- 504849 - 62
- Oznaka:
- ALZ52F24
- EAN:
- 2050000452963
Snažan relej ALZ, 16 A, za štampanu pločicu Panasonic ALZ52F24 24 V/DC 1 x uklop

10.10 KM
Komada
10.10 KM
Komada

Tehničke specifikacije
Tehničke specifikacije
Dim.
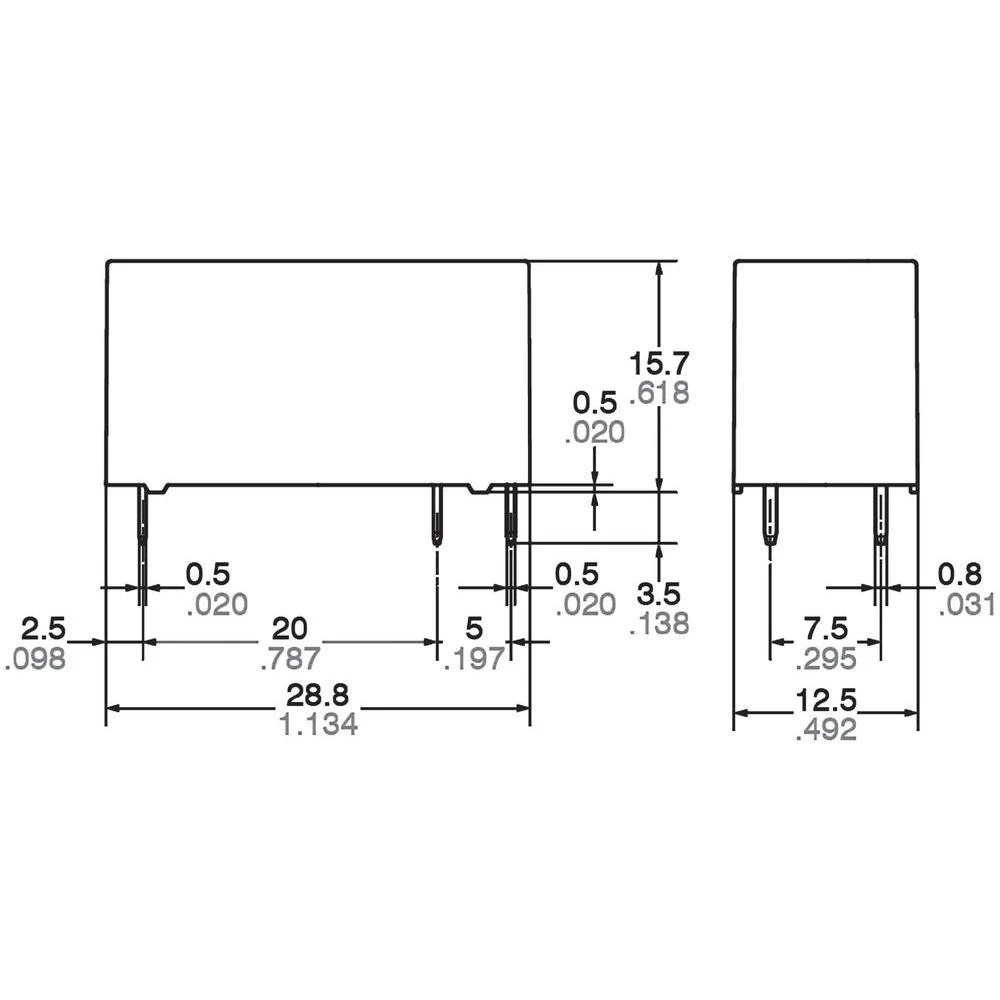
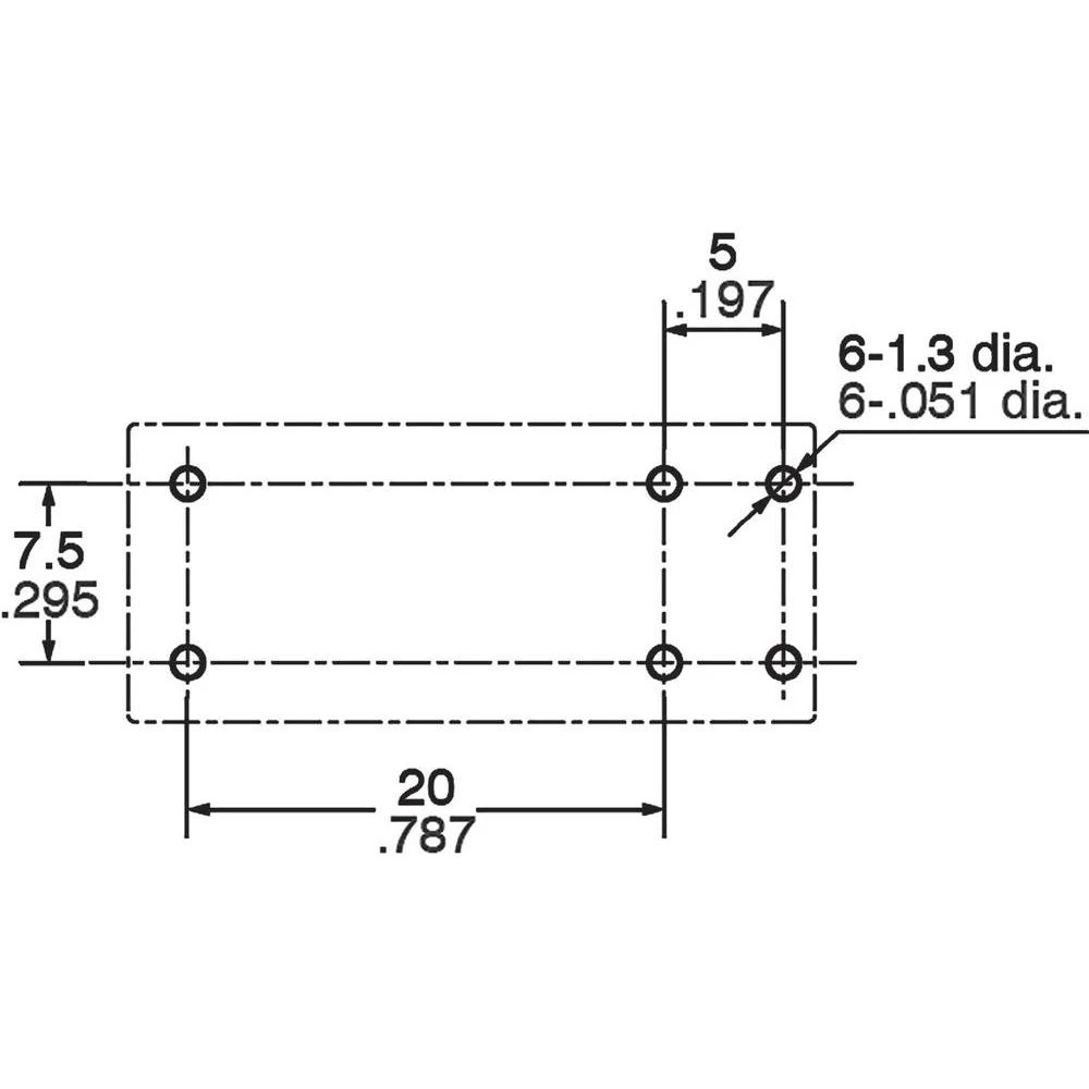
(D x Š x V) 28.8 x 12.5 x 15.7 mm
Duljina
28.8 mm
Kontaktni materijal
AgSnO2
Maksimalna temperatura
+105 °C
Maksimalni uklopni kapacitet
4000 VA
Minimalna temperatura
-40 °C
Napon odziva (maks.)
31.2 V/DC
Napon odziva (min.)
16.8 V/DC
Nazivni napon svitka
24 V/DC
Otpor (zavojnica)
1440 Ω
Sadržaj
1 kom
Širina
12,5 mm
Sklopna struja (maks.)
16 A
Sklopni napon (maks.)
440 V/AC
Tip
ALZ22F24 = ALZ52F24
Tip kontrole
monostabil, 1 zavojnica
Veza
igle za lemljenje
Visina
15.7 mm
Vrsta kontakta
1 bliže
Vrsta proizvoda
ispisni relej
Zazor/puzna staza (zavojnica/kontakti)
10 mm
Opis
Opis
Anwendung:Kućanski aparati, potrošačka elektronika, TV / CATV, smeđa roba, uredska oprema, industrijska i automatska tehnologija.
Ovaj tekst je strojno preveden.