Specijalni diferencijalni tlačni senzor MPX-2010 DP MPX-2010DP 0 - 10 kPa 10 - 1
- Kataloški br:
- 185523 - 62
- Oznaka:
- MPX2010DP
- EAN:
- 4016138066920
- Kataloški br:
- 185523 - 62
- Oznaka:
- MPX2010DP
- EAN:
- 4016138066920
Specijalni diferencijalni tlačni senzor MPX-2010 DP MPX-2010DP 0 - 10 kPa 10 - 1
 
                                      105.00 KM
Komada
105.00 KM
Komada
 
                                    
                Tehničke specifikacije
Tehničke specifikacije
- Izlazni signal (maks.) 
- 25 mV 
- Izvršenje 
- razlika pritisaka 
- Maksimalna temperatura 
- +125 °C 
- Minimalna temperatura 
- -40 °C 
- Mjerni raspon (tlak) (maks.) 
- 10 kPa 
- Radni napon maks. 
- 16 V/DC 
- Radni napon min. 
- 10 V/DC 
- Raspon mjerenja (tlak) 
- 0kPa do 10kPa 
- Raspon mjerenja (tlak) (min.) 
- 0 kPa 
- Raspon radnog napona 
- 10 - 16 V/DC 
- Tip 
- MPX2010DP - MPX2010DP 
- Veza 
- Print 
- Vrsta proizvoda 
- senzor tlaka 
Opis
Opis
Ovaj tekst je strojno preveden.
Opseg isporuke
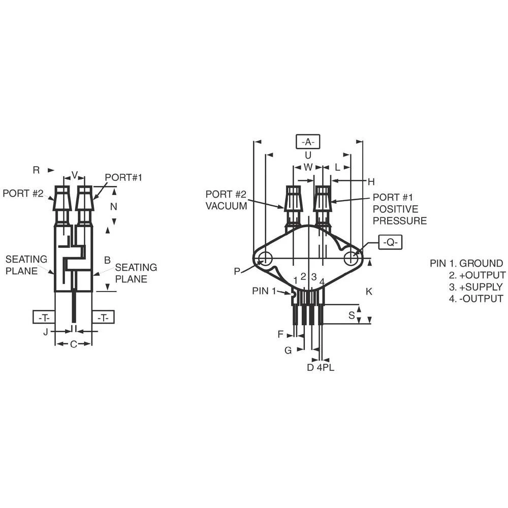
- Senzor tlaka NXP Semiconductors MPX2010DP 0 kPa do 10 kPa tiskana pločica
 
                     
                      
                     
                      
                     
                                                      