SPS-DC pogonski kontroler WAGO 750-636 24 V/DC
- Kataloški br:
- 192018 - 62
- Oznaka:
- 750-636
- EAN:
- 4045454925307
- Kataloški br:
- 192018 - 62
- Oznaka:
- 750-636
- EAN:
- 4045454925307
SPS-DC pogonski kontroler WAGO 750-636 24 V/DC

845.00 KM
Komada
845.00 KM
Komada

Tehničke specifikacije
Tehničke specifikacije
Broj izlaza max.
1
Dim.
(D x Š x V) 100 x 12 x 64 mm
Duljina
100 mm
Maksimalna temperatura okoline
+55 °C
Minimalna temperatura okoline
0 °C
Proizvođački dio br.
750-636
Radni napon
24 V/DC
Širina
12 mm
Sučelja
pekmez
Težina
50 g
Tip
750-636
Visina
64 mm
Vrsta proizvoda
SPS DC Drive Controller
Opis
Opis
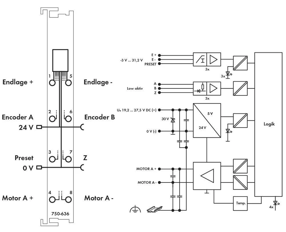
Modul je 1-kanalni, inteligentni regulator pozicioniranja za motore DC 24V do 5 A s inkrementalnom pozicijskom povratnom vezom.
Tri 24V ulaza detektiraju krajnje sklopke i unaprijed postavljeni signal. Područje inkrementalnog davača procjenjuje signale kodera položaja i određuje stvarnu vrijednost.
Ako je potrebno, pozicioniranje optimizira položaj pre-pomaka na način koji ovisi o smjeru i uzima u obzir kompenzaciju zupčanika.
Dvosmjerna kontrola DC motora odvija se preko H-mosta koji je otporan na kratki spoj i temperaturno upravljan.
Mogući su i prebacili mod i soft-start / -down ili trenutni smanjenje preko PWM.
24-Vni naponski napon koji se dobavlja preko konektora napajanja i nadziran za pod- i prenaponsku napetost prolazi kroz susjedne stezaljke.
Modul se također može koristiti kao čisti inkrementalni koder ili kao prekidač i regulator snage (PWM).
Ovaj tekst je strojno preveden.
Opseg isporuke
- SPS-DC pogonski kontroler WAGO 750-636 24 V/DC