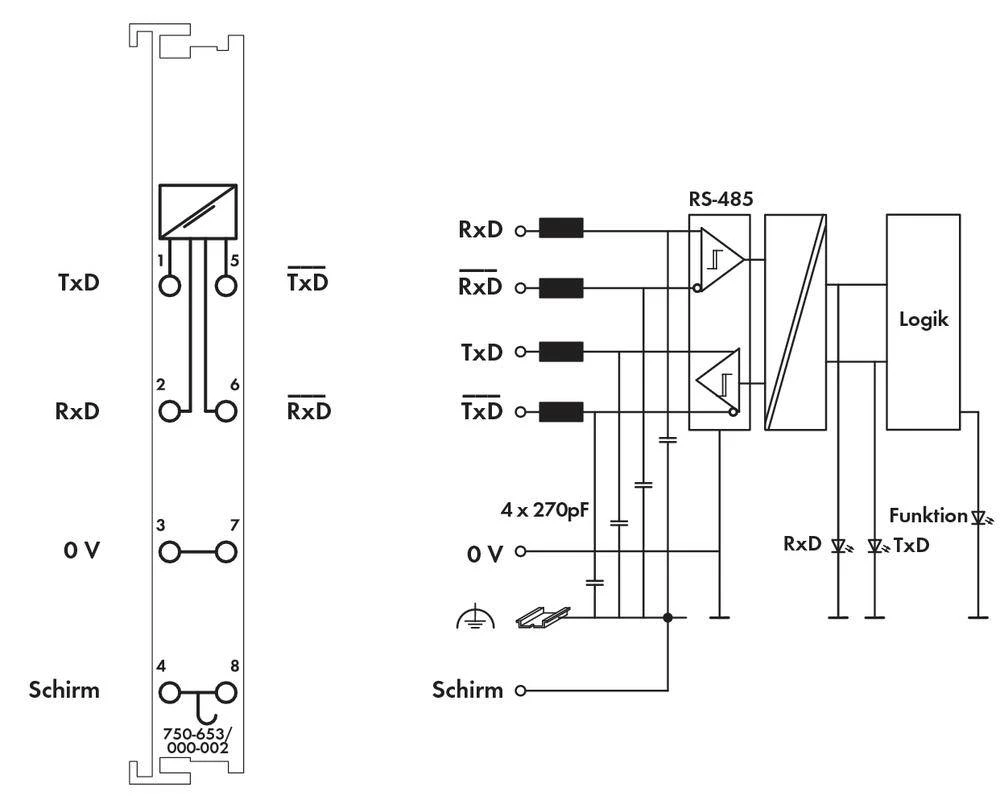
SPS-serijsko sučelje WAGO 750-653/000-002
- Kataloški br:
- 192056 - 62
- Oznaka:
- 750-653/000-002
- EAN:
- 4045454519605
- Kataloški br:
- 192056 - 62
- Oznaka:
- 750-653/000-002
- EAN:
- 4045454519605
SPS-serijsko sučelje WAGO 750-653/000-002

0.00 KM
Komada
0.00 KM
Komada

Tehničke specifikacije
Tehničke specifikacije
Broj izlaza max.
1
Broj ulaza maks.
1
Dim.
(D x Š x V) 100 x 51 x 65 mm
Duljina
100 mm
Maksimalna temperatura okoline
+55 °C
Minimalna temperatura okoline
0 °C
Proizvođački dio br.
750-653/000-002
Radni napon (detalji)
preko napona sustava DC/DC
Širina
51 mm
Sučelja
pekmez
RS 485
Težina
48.5 g
Tip
750-653/000-002
Visina
65 mm
Vrsta proizvoda
PLC serijsko sučelje
Opis
Opis
Ovaj tekst je strojno preveden.
Opseg isporuke
- SPS-serijsko sučelje WAGO 750-653/000-002