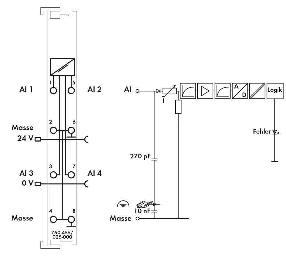
SPS-ulazna kartica WAGO 750-455/025-000
- Kataloški br:
- 191737 - 62
- Oznaka:
- 750-455/025-000
- EAN:
- 4045454543037
- Kataloški br:
- 191737 - 62
- Oznaka:
- 750-455/025-000
- EAN:
- 4045454543037
SPS-ulazna kartica WAGO 750-455/025-000

1,120.00 KM
Komada
1,120.00 KM
Komada

Tehničke specifikacije
Tehničke specifikacije
Boja proizvođača
Svijetlo siva
Broj analognih ulaza max.
4
Dim.
(D x Š x V) 100 x 12 x 64 mm
Duljina
100 mm
Maksimalna temperatura okoline
+55 °C
Minimalna temperatura okoline
-40 °C
Proizvođački dio br.
750-455/025-000
Radni napon (detalji)
preko napona sustava / DC
Širina
12 mm
Stupanj zaštite
IP20
Težina
53 g
Tip
WAGO
Visina
64 mm
Vrsta montaže
Montažna letvica DIN 35
Vrsta proizvoda
SPS-Analogeingangsmodul
Opis
Opis
Ovaj tekst je strojno preveden.
Opseg isporuke
- SPS-ulazna kartica WAGO 750-455/025-000