UI 39/17 Plosnati transformator FL 30 VA 2 x 115 V 2 x 15 V2x 1.0 A Block FL 30/
- Kataloški br:
- 710550 - 62
- Oznaka:
- FL 30/15
- EAN:
- 4016138537161
- Kataloški br:
- 710550 - 62
- Oznaka:
- FL 30/15
- EAN:
- 4016138537161
UI 39/17 Plosnati transformator FL 30 VA 2 x 115 V 2 x 15 V2x 1.0 A Block FL 30/

80.50 KM
Komada
80.50 KM
Komada

Izdvojeno & Detalji
- Dvostruki napon za serijsko ili paralelno uklapanje.
Tehničke specifikacije
Tehničke specifikacije
Broj izlaza
2 x
Broj ulaza
2 x
Frekvencija
50 - 60 Hz
Ispitni napon
5000 V
Ispitni znak
C-UL-US, ENEC 10 (VDE)
Izlazna struja
1A
Izlazni napon
15 V/AC
Izlazni napon (broj x napon)
2 x 15 V/AC
Izvođenje
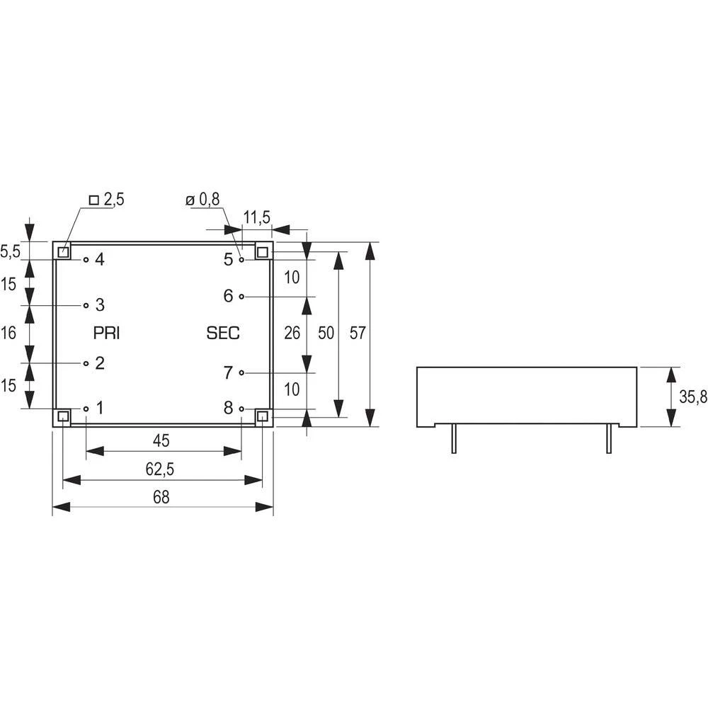
30 VA
Klasa izolacije
VDE=E, UL=105
Sadržaj
1 kom
Sukladno RoHS
Da
Težina
0.53 kg
Tip
FL 30/15
Učinkovitost
81 %
Ulazni napon
115 V
Ulazni napon (broj x napon)
2 x 115 V
Veza
lemljenje
Vrsta proizvoda
Print transformator
Opis
Opis
Mala ugradbena visina.
Zalivanje smole od vakuumske smole (samo-gašenje, popisano u UL 94 VO) Sigurnosni transformator prema IEC 61558-2-6, DIN EN 61558-2-6, VDE 0570, dio 2-6.
Ovaj tekst je strojno preveden.