Ova postavka prilagođava asortiman proizvoda i cijene vašim potrebama.

Utikač ventila s ugrađenim kabelom 1400588 Crna SAC-3P-3,0-PUR/A-1L-R Phoenix Contact Sadržaj: 1 ST

Kataloški br:
1827423 - 62
Oznaka:
1400588
EAN:
4046356510318

(0)

Kataloški br:
1827423 - 62
Oznaka:
1400588
EAN:
4046356510318

Dostupno odmah (336 komada)

Dostava: 01.05.2026 do 03.05.2026

Prodaja i slanje od: Architektengruppe S71 d.o.o.

Komada

(0)

Prikaži recenzije

  • Conrad Product Image
Main product image
Main product image

Tehničke specifikacije

U tablici možete odabrati potrebne tehničke podatke kako biste pronašli stavke s istim vrijednostima.

Tehničke specifikacije

Boja proizvođača

crna

Broj polova

3.

Dužina kabela

3,00 m

Linijski materijal

ČIST

Maksimalna temperatura

+80 °C

Minimalna temperatura

-40 °C

Nazivni napon

24 V

Oblikovati

Standard

utikač, kutni

Oglas

LED

Proizvođački dio br.

1400588

Sadržaj

1 kom

Tip

SAC-3P-3,0-PUR/A-1L-R

Ukupan broj polova

3.

Veza

Kabal, ogoljeni kraj

Vrsta proizvoda

Alat za obradu izolacijskih crijeva

Opis

Opis

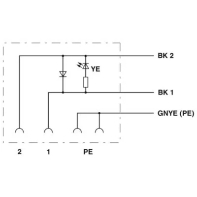
Jednostavno i sigurno: 100% električno ispitane priključne komponente. Robusna spojnica ventila s slobodnom kočnicom kao zaštitni krug. Naš standard: robustan PUR kabel bez halogena.

Ovaj tekst je strojno preveden.

Ocjene kupaca

Ocjene kupaca

Prosječna ocjena
0.00 od 5 zvjezdica
Još nema recenzija ovog proizvoda, ali to možete promijeniti.