Vogt Verbindungstechnik 5001.99-Kabelska spojnica, jedan jezičak, 1 komad
- Kataloški br:
- 730044 - 62
- Oznaka:
- 5001.99
- EAN:
- 2050000409288
- Kataloški br:
- 730044 - 62
- Oznaka:
- 5001.99
- EAN:
- 2050000409288
Vogt Verbindungstechnik 5001.99-Kabelska spojnica, jedan jezičak, 1 komad

0.70 KM
Komada
0.70 KM
Komada

Izdvojeno & Detalji
- Content 1 St.
Tehničke specifikacije
Tehničke specifikacije
Broj kartica
1
Dim.
(Ø) 4.50 mm
Dimenzije
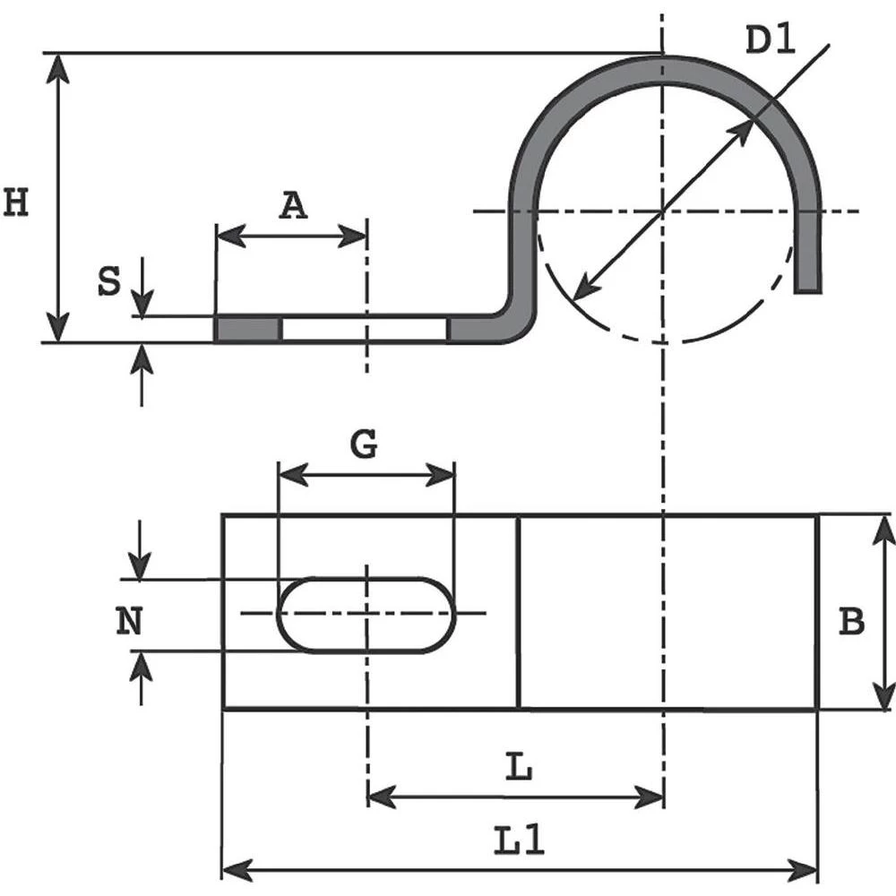
ØD1 x L x L1 x A x N x G x B x H x S 4.5 x 7 x 14.5 x 4.5 x 3.6 x 4.8 x 8 x 4.8 x 0.8 mm
Kontaktna površina
pocinčan
Kontaktni materijal
čelični lim
Proizvođački dio br.
5001.99
Promjer
4,50 mm
Sadržaj
1 kom
Tip
5001.99
Veza
vijci
Vrsta proizvoda
Stezaljka