LED-pokazivač crvena TIP: S431SURWA/S530-A3 Everlight
- Kataloški br:
- 156387 - 62
- Oznaka:
- S431SURWA/S530-A3
- EAN:
- 2050000038051
- Kataloški br:
- 156387 - 62
- Oznaka:
- S431SURWA/S530-A3
- EAN:
- 2050000038051
LED-pokazivač crvena TIP: S431SURWA/S530-A3 Everlight

1.30 KM
Komada
1.30 KM
Komada

Tehničke specifikacije
Tehničke specifikacije
Boja proizvođača
crvena
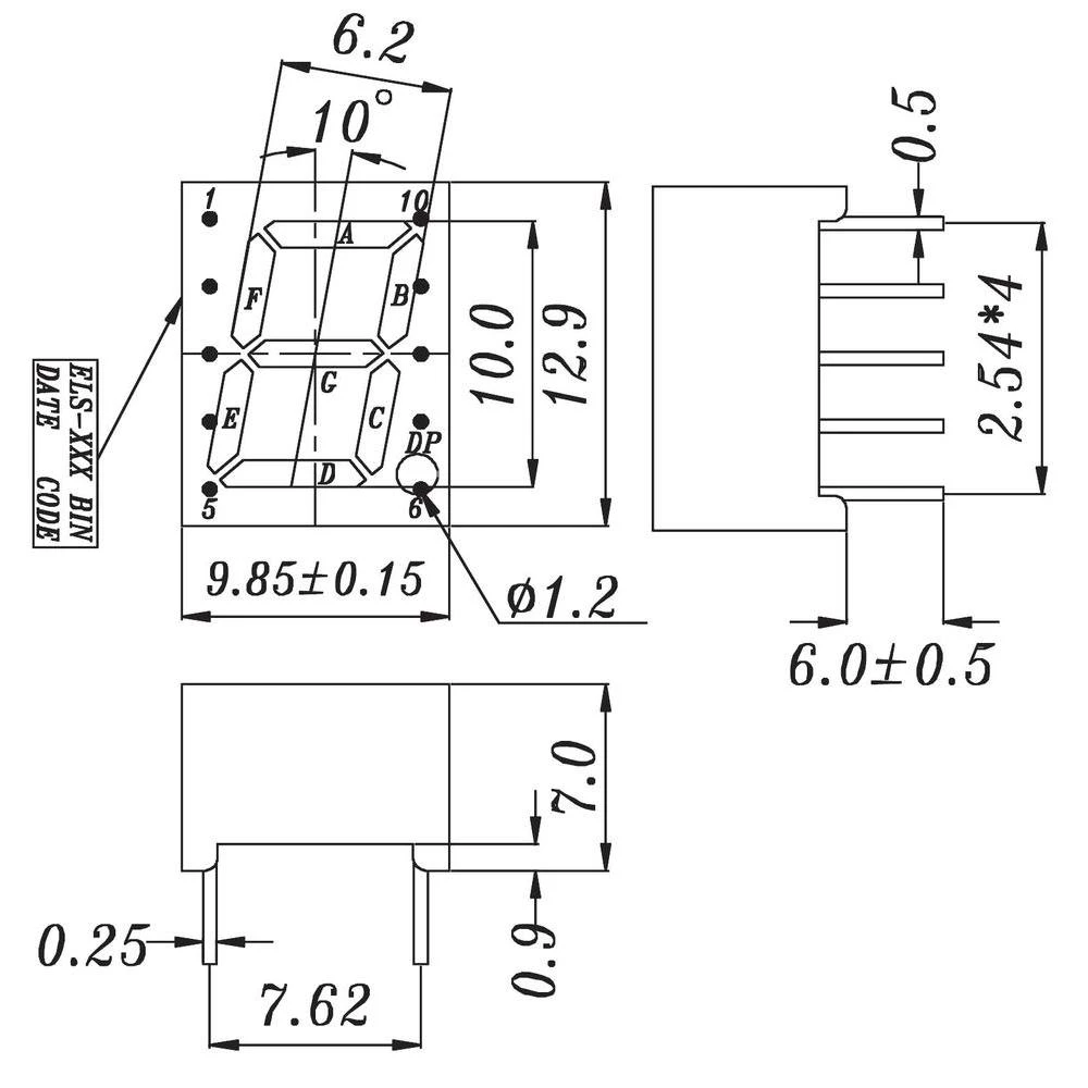
Broj cifara
1
Dim.
(Š x V x Du) 9.85 x 12.9 x 7 mm
Dubina
7 mm
Prednja struja I(F)
2 mA
Prednji napon U(F)
2 V
Širina
9.85 mm
Svjetlosni intenzitet I(V)
2,9 mcd
Tip
S431SURWA/S530-A3
Valna duljina
624 nm
Visina
12,9 mm
Visina znamenke
10 mm
Vrsta proizvoda
7-segmentni zaslon
Zajednička veza
katoda
Opis
Opis
Opseg isporuke
- 7 segmentni prikaz, crvena 10 mm 2 V broj znamenki: 1 Everlight Opto S431SURWA/S530-A3