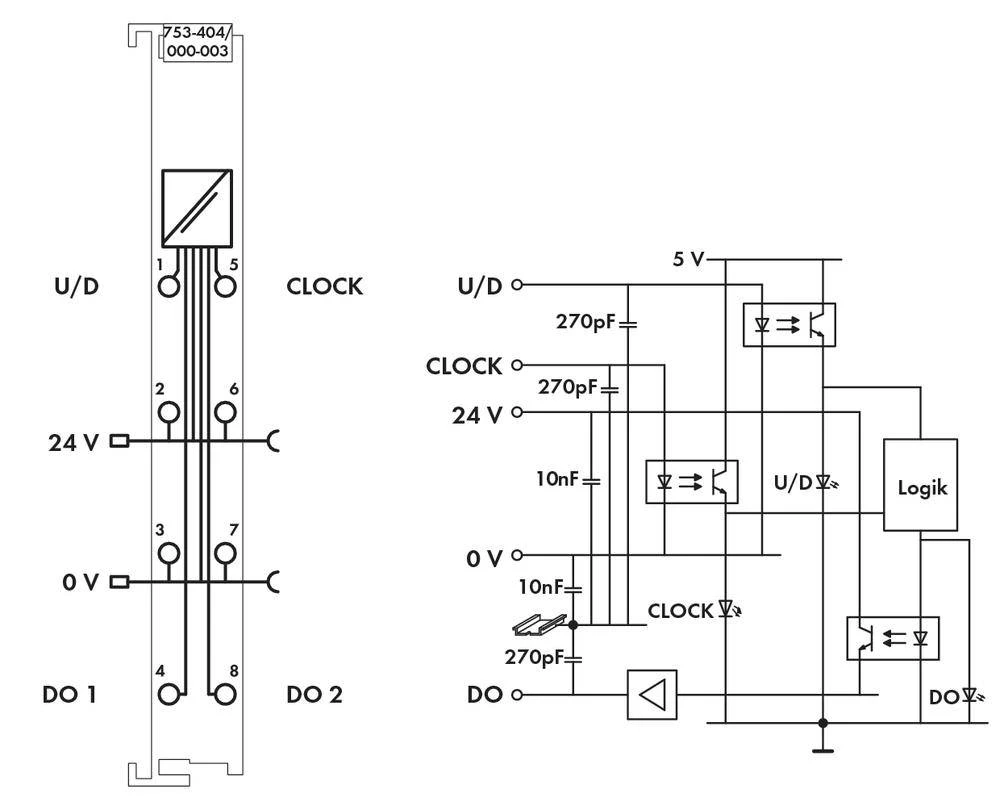
SPS-brojal frekvencije WAGO 753-404/000-003 24 V/DC
- Kataloški br:
- 192133 - 62
- Oznaka:
- 753-404/000-003
- EAN:
- 4050821008538
- Kataloški br:
- 192133 - 62
- Oznaka:
- 753-404/000-003
- EAN:
- 4050821008538
SPS-brojal frekvencije WAGO 753-404/000-003 24 V/DC

1,005.00 KM
Komada
1,005.00 KM
Komada

Tehničke specifikacije
Tehničke specifikacije
Broj izlaza max.
2
Dim.
(Š x V x Du.) 51 x 65 x 100 mm
Dubina
100 mm
Maksimalna temperatura okoline
+55 °C
Minimalna temperatura okoline
0 °C
Proizvođački dio br.
753-404/000-003
Radni napon
24 V/DC
Širina
51 mm
Stupanj zaštite
IP20
Težina
60 g
Tip
753-404/000-003
Visina
65 mm
Vrsta proizvoda
PLC brojač frekvencija
Opis
Opis
Ovaj tekst je strojno preveden.
Opseg isporuke
- SPS-brojal frekvencije WAGO 753-404/000-003 24 V/DC
Ocjene kupaca
Ocjene kupaca
Pribor za ovaj prooizvod
- Dodatni (1)